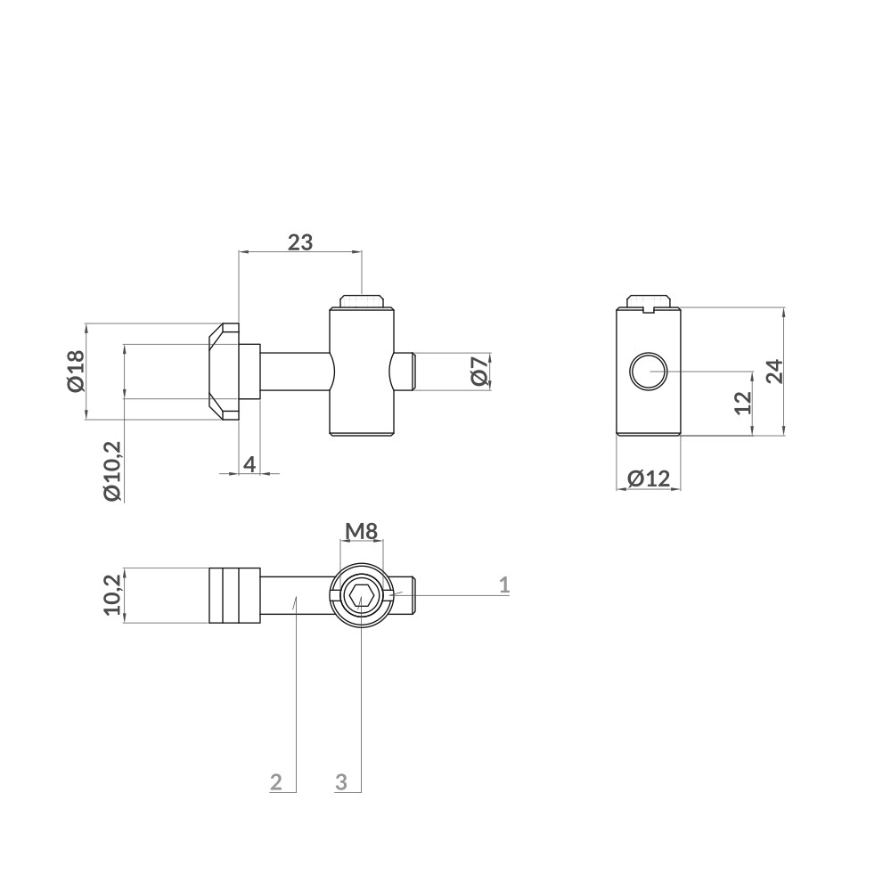
Formado por três elementos, permite realizar uniões internas robustas no canal. Requer a usinagem do perfil a ser unido para inserir o suporte no qual posteriormente será inserido o eixo que ficará preso por meio do parafuso prisioneiro. O suporte fica na face externa do perfil a ser unido.

